在集成電路應用設計中,項目原理圖設計完成后,需要進行PCB Layout設計。PCB設計是一個至關重要的環節。設計結果的質量直接影響到整個設計功能。因此,合理高效的PCB Layout是芯片電路設計調試成功的關鍵步驟。下面深圳PCB設計公司-宏力捷電子為大家簡要下介紹PCB Layout設計的要點。 
	 
	PCB Layout設計要點
	元器件封裝選擇
	電阻選擇:所選電阻的耐壓、最大功耗和溫度不能超過使用范圍。
	 
 
	電容器選擇:在選擇時,還需要考慮所選電容器的耐受電壓和最大有效電流。
	 
	  
	電感選擇:所選電感的有效值電流和峰值電流必須大于實際電路中的電流。
	 
	電路設計中的常見干擾
	串擾:當設計線的平行布線距離太長時,導線之間的電容和互感會將能量耦合到相鄰的傳輸線。可通過以下方法減少串擾的影響:
	1. 加入安全走線
	 
	  
	2. 在實踐中,盡量使相鄰的走線相互垂直
	 
	  
	3. 每走一段距離的平行線,增加兩條線之間的距離
	 
	  
	 
	反射:由于布線的彎角、分支太多造成傳輸線上阻抗不匹配,可以通過減少線路上的彎角及分支線或者避免直角走線及分支線補強來進行改善。
	
 
	 
	確定接地方式
	單點接地(適用于低頻電路):所有電路接地線均連接到公共接地線的同一點,接線簡單,減少了接地回路的相互干擾。
	 
	  
	 
	多點接地(適用于多層板電路/高頻電路):系統各部分就近接地,提供較低的接地阻抗。
	
 
	 
	添加濾波和旁路電容器
	為確保穩定的輸入/輸出電壓,增加輸入/輸出電容器。
	 
	  
	 
	在電源和IC之間添加旁路電容器,以確保穩定的輸入電壓并濾除高頻噪聲。
	
 
	
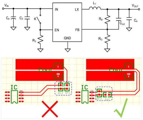
	阻抗位置設計
	相對而言,阻抗越高,越容易受到干擾。以下是同步降壓芯片的PCB阻抗位置設計。
	 
	  
	 
	宏力捷電子PCB設計能力:
	最高信號設計速率:10Gbps CML差分信號;
	最高PCB設計層數:40層;
	最小線寬:2.4mil;
	最小線間距:2.4mil;
	最小BGA PIN 間距:0.4mm;
	最小機械孔直徑:6mil;
	最小激光鉆孔直徑:4mil;
	最大PIN數目:;63000+
	最大元件數目:3600;
	最多BGA數目:48+。
	
	
 
	 
	PCB設計服務流程
	1. 客戶提供原理圖咨詢PCB設計;
	2. 根據原理圖以及客戶設計要求評估報價;
	3. 客戶確認報價,簽訂合同,預付項目定金;
	4. 收到預付款,安排工程師設計;
	5. 設計完成后,提供文件截圖給客戶確認;
	6. 客戶確認OK,結清余款,提供PCB設計資料。
        深圳宏力捷推薦服務:PCB設計打樣 | PCB抄板打樣 | PCB打樣&批量生產 | PCBA代工代料
         
