貼片電阻常見封裝有9種,用兩種尺寸代碼來表示。一種尺寸代碼是由4位數字表示的EIA(美國電子工業協會)代碼,前兩位與后兩位分別表示電阻的長與寬,以英寸為單位。我們常說的0603封裝就是指英制代碼。另一種是米制代碼,也由4位數字表示,其單位為毫米。
	 
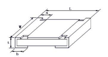
	下表列出貼片電阻封裝英制和公制的關系及詳細的尺寸:
	 
	 
	
		
			
			
			
			
			
			
			
		
		
			
				| 英制 (inch)
 | 公制 (mm)
 | 長(L) (mm)
 | 寬(W) (mm)
 | 高(t) (mm)
 | a (mm)
 | b (mm)
 | 
			
				| 0201 | 0603 | 0.60±0.05 | 0.30±0.05 | 0.23±0.05 | 0.10±0.05 | 0.15±0.05 | 
			
				| 0402 | 1005 | 1.00±0.10 | 0.50±0.10 | 0.30±0.10 | 0.20±0.10 | 0.25±0.10 | 
			
				| 0603 | 1608 | 1.60±0.15 | 0.80±0.15 | 0.40±0.10 | 0.30±0.20 | 0.30±0.20 | 
			
				| 0805 | 2012 | 2.00±0.20 | 1.25±0.15 | 0.50±0.10 | 0.40±0.20 | 0.40±0.20 | 
			
				| 1206 | 3216 | 3.20±0.20 | 1.60±0.15 | 0.55±0.10 | 0.50±0.20 | 0.50±0.20 | 
			
				| 1210 | 3225 | 3.20±0.20 | 2.50±0.20 | 0.55±0.10 | 0.50±0.20 | 0.50±0.20 | 
			
				| 1812 | 4832 | 4.50±0.20 | 3.20±0.20 | 0.55±0.10 | 0.50±0.20 | 0.50±0.20 | 
			
				| 2010 | 5025 | 5.00±0.20 | 2.50±0.20 | 0.55±0.10 | 0.60±0.20 | 0.60±0.20 | 
			
				| 2512 | 6432 | 6.40±0.20 | 3.20±0.20 | 0.55±0.10 | 0.60±0.20 | 0.60±0.20 | 
		
	
 
	 
	貼片電容和貼片電阻都是一樣可以用的,0805,1206等          
	 
	
		貼片電阻電容功率與尺寸對應表
	
		
			
			
			
		
		
			
				| 英制 | 公制 | 額定功率 | 
			
				| 0201 | 0603 | 1/20W | 
			
				| 0402 | 1005 | 1/16W | 
			
				| 0603 | 1608 | 1/10W | 
			
				| 0805 | 2012 | 1/8W | 
			
				| 1206 | 3216 | 1/4W | 
			
				| 1210 | 3225 | 1/3W | 
			
				| 1812 | 4832 | 1/2W | 
			
				| 2010 | 5025 | 3/4W | 
			
				| 2512 | 6432 | 1W | 
		
	
 
	 
	電容電阻外形尺寸與封裝的對應關系是:
	0402=1.0x0.5 
	0603=1.6x0.8 
	0805=2.0x1.2 
	1206=3.2x1.6 
	1210=3.2x2.5 
	1812=4.5x3.2 
	2225=5.6x6.5
	 
	國內貼片電阻的命名方法:
	1、5%精度的命名: RS-05K102JT
	2、1%精度的命名:RS-05K1002FT
	R -表示電阻  
	S -表示功率:0402是1/16W、0603是1/10W、0805是1/8W、1206是1/4W、 1210是1/3W、1812是1/2W、2010是3/4W、2512是1W。  
	05 -表示尺寸(英寸):02表示0402、03表示0603、05表示0805、06表示1206、1210表示1210、1812表示1812、10表示1210、12表示2512。  
	K -表示溫度系數為100PPM。  
	102-5%精度阻值表示法:前兩位表示有效數字,第三位表示有多少個零,基本單位是Ω,102=10×10²Ω=1000Ω=1KΩ。1002是1%阻值表示法:前三位表示有效數字,第四位表示有多少個零,基本單位是Ω,1002=100000Ω=10KΩ。 
	 J -表示精度為5%、F-表示精度為1%。
	 T -表示編帶包裝。
	 
	貼片阻容件常見疑問
	1、貼片電阻的阻值表示與貼片電容容值表示都是數字與“R”組合表示的。譬如:3ohm用3R0表示,10ohm用100表示,100ohm用101表示,也就是說“R”表示點“.”的意思,而101后面個位數的“1”表示的是帶有1個0,例如102表示10000。
	2、電阻上的數字和字母表示的就是阻值,R002就表示0.002ohm,180表示的就是18ohm.
	3、怎樣區分貼片的電阻與電容,由于電阻上面有白色的字體表示,所以除端角外背景顏色應該是黑色的,而電容上就沒有字體表示,也不會有黑色的顏色,因為有黑色的話容易讓人產生誤會電容被氧化。 
	 
	貼片電阻精度命名方法
	貼片電阻阻值誤差精度有±1%、±2%、±5%、±10%精度,常規用的最多的是±1%和±5%, 
	±5%精度的常規是用三位數來表示例 例512,前面兩位是有效數字,第三位數2表示有多少個零,基本單位是Ω,這樣就是5100歐,1000Ω=1KΩ,1000000Ω=1MΩ 
	為了區分±5%,±1%的電阻,于是±1%的電阻常規多數用4位數來表示 , 
	這樣前三位是表示有效數字,第四位表示有多少個零4531也就是4530Ω,也就等于4.53KΩ。
        深圳宏力捷推薦服務:PCB設計打樣 | PCB抄板打樣 | PCB打樣&批量生產 | PCBA代工代料
         
